Details und Zeichnungen
Holzfenster Softline 68

Holz Fensterprofil Softline 68 Querschnitte

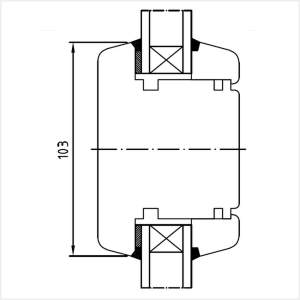
Fenstermaxx24 – Softline 68 Festverglasung

Softline 68 Festverglasung

Fenstermaxx24 – Softline 68 Fest im Rahmen

Softline 68 Fest im Rahmen

Fenstermaxx24 – Softline 68 Fest im Fluegel

Softline 68 Fest im Flügel

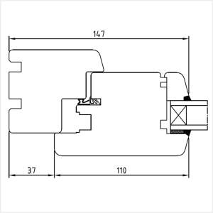
Fenstermaxx24 – Softline 68 Rahmen mit Fluegel Donauschenkel 1805

Softline 68 Rahmen mit Flügel Donauschenkel (1805)

Fenstermaxx24 – Softline 68 Rahmen mit Fluegel Retroschenkel

Softline 68 Rahmen mit Flügel Retroschenkel

Fenstermaxx24 – Softline 68 Rahmen mit Fluegel Wetterschenkel

Softline 68 Rahmen mit Flügel Retroschenkel

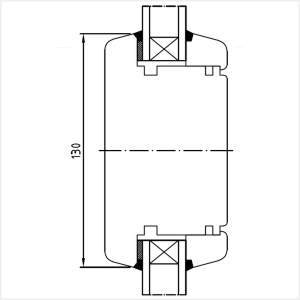
Fenstermaxx24 – Softline 68 Rahmen mit Fluegel

Softline 68 Rahmen mit Flügel

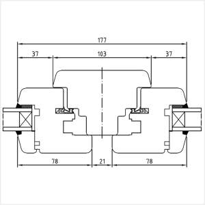
Fenstermaxx24 – Softline 68 Pfosten mit Fluegel

Softline 68 Pfosten mit Flügel

Fenstermaxx24 – Softline 68 Stulpfenster

Softline 68 Stulpfenster

Holzfensterprofil Softline 68 Falz

Fenstermaxx24 – Softline 68 Standardfalz

Softline 68 Festverglasung

Fenstermaxx24 – Softline 68 Ohne Falz

Softline 68 Ohne Falz

Fenstermaxx24 – Softline 68 Aussenfalz

Softline 68 Außenfalz

Fenstermaxx24 – Softline 68 Innenfalz

Softline 68 Innenfalz

Fenstermaxx24 – Softline 68 Falz fuer Federprofile

Softline 68 Falz für Federprofile

Holzfenster Rahmenverbreiterung

Fenstermaxx24 – Softline 68 Rahmenverbreiterung 40 mm PR040

Softline 68 Rahmenverbreiterung 40 mm PR040

Fenstermaxx24 – Softline 68 Rahmenverbreiterung 80 mm PR080

Softline 68 Rahmenverbreiterung 80 mm PR080

Fenstermaxx24 – Softline 68 Rahmenverbreiterung 110 mm PR110

Softline 68 Rahmenverbreiterung 110 mm PR110

Fenstermaxx24 – Softline 68 Rahmenverbreiterung 140 mm PR140

Softline 68 Rahmenverbreiterung 140 mm PR140

Holzfenster Kopplungen

Fenstermaxx24 – Softline 68 Federkopplung

Softline 68 Federkopplung

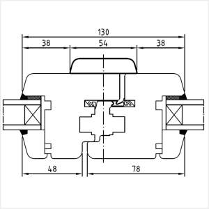
Fenstermaxx24 – Softline 68 Eckkopplung 135° PP135

Softline 68 Eckkopplung 135° PP135

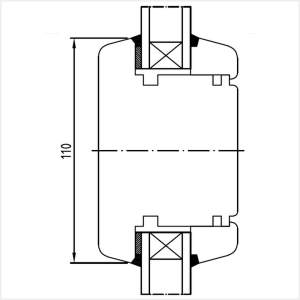
Fenstermaxx24 – Softline 68 Pfosten fuer Statische Kopplung PS038

Softline 68 Pfosten für Statische Kopplung PS038

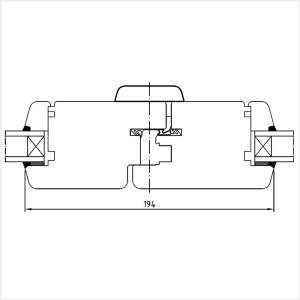
Fenstermaxx24 – Softline 68 Eckkopplung 90° PP090

Softline 68 Eckkopplung 90° PP090

Holzfenster Sprossenarten

Innenliegende SZR Sprossen / Helima Sprossen

Fenstermaxx24 – Download 52

Innenliegende Sprosse 8 mm

Fenstermaxx24 – Download 53

Innenliegende Sprosse 18 mm

Fenstermaxx24 – Download 54

Innenliegende Sprosse 26 mm

Fenstermaxx24 – Download 55

Innenliegende Sprosse 45 mm

Aufgesetzte / Aufgeklebte Sprossen

Fenstermaxx24 – Wiener Sprossen aufgesetzt 26 mm

Wiener Sprossen (aufgesetzt) 26 mm

Fenstermaxx24 – Wiener Sprossen aufgesetzt 36 mm

Wiener Sprossen (aufgesetzt) 36 mm

Glasteilende Sprossen – Kämpfer

Fenstermaxx24 – Softline 68 Kaempfer Sprosse 60 mm

Softline 68 Kämpfer-Sprosse 60 mm

Fenstermaxx24 – Softline 68 Kaempfer Sprosse 80 mm

Softline 68 Kämpfer-Sprosse 80 mm

Fenstermaxx24 – Softline 68 Kaempfer Sprosse 103 mm

Softline 68 Kämpfer-Sprosse 103 mm

Fenstermaxx24 – Softline 68 Kaempfer Sprosse 110 mm

Softline 68 Kämpfer-Sprosse 110 mm

Fenstermaxx24 – Drutex Softline 68 Glasteilende Kaempfer Sprosse 130 mm Softline 68 Kaempfer Sprosse 130mm

Drutex Softline 68 Glasteilende Kämpfer-Sprosse 130 mm Softline 68 Kämpfer-Sprosse 130mm

Holzfenster Zierprofile und Leisten

Fenstermaxx24 – Zierprofil Holz EKP1

Zierprofil Holz EKP1

Fenstermaxx24 – Zierprofil Kopfstueck Holz

Zierprofil Kopfstück Holz

Fenstermaxx24 – Zierprofil Fussstueck Holz

Zierprofil Fußstück Holz

Fenstermaxx24 – Zierleiste Schlagleiste Holz LP201

Zierleiste Schlagleiste Holz LP201

Fenstermaxx24 – Zierleiste Kaempferleiste Holz LP101

Zierleiste Kämpferleiste Holz LP101

Fenstermaxx24 – Viertelstab Holz LWR015

Viertelstab Holz LWR015

Holz Abdeckleisten

Fenstermaxx24 – Holz Abdeckleisten 20 mm

Holz Abdeckleisten 20 mm

Fenstermaxx24 – Holz Abdeckleisten 50 mm

Holz Abdeckleisten 50 mm

Fenstermaxx24 – Holz Abdeckleisten 80 mm

Holz Abdeckleisten 80 mm

Balkontür Holz Softline 68

Fenstermaxx24 – Softline 68 Balkontuer mit Blendrahmen

Softline 68 Balkontür mit Blendrahmen

Fenstermaxx24 – Softline 68 Balkontuer mit flacher Schwelle

Softline 68 Balkontür mit flacher Schwelle

PSK Parallel-Schiebe-Kipp-Tür Holz Softline 68

Fenstermaxx24 – Softline 68 Parallel Schiebe Kipp Tuer

Softline 68 Parallel-Schiebe-Kipp Tür

Fenstermaxx24 – Softline 68 PSK Rahmen Festelement

Softline 68 PSK Rahmen Festelement

Holz Softline 68 Haustür

Fenstermaxx24 – Softline 68 Haustuer Rahmen nach Aussen

Softline 68 Haustür Rahmen nach Außen

Fenstermaxx24 – Softline 68 Haustuer Rahmen nach Innen

Softline 68 Haustür Rahmen nach Innen

Fenstermaxx24 – Softline 68 Haustuer 20 mm Schwelle nach Aussen

Softline 68 Haustür 20 mm Schwelle nach Außen

Fenstermaxx24 – Softline 68 Haustuer 20 mm Schwelle nach Innen

Softline 68 Haustür 20 mm Schwelle nach Innen

Fenstermaxx24 – Softline 68 Aussentuer mit Stulp

Softline 68 Außentür mit Stulp

Holzfenster mit Aufsatzrollladen

Fenstermaxx24 – Aufsatzrollladen Fuehrungsschiene Holz PD110

Aufsatzrollladen Führungsschiene Holz PD110

Fenstermaxx24 – Aufsatzrollladen Fuehrungsschiene Holz PD120

Aufsatzrollladen Führungsschiene Holz PD120

Fenstermaxx24 – Aufsatzrollladen Traverse Holz LT 120

Aufsatzrollladen Traverse Holz LT 120

Fenstermaxx24 – Aufsatzrollladen 225 mm mit Holzfensterprofil Softline 68 1

Aufsatzrollladen 225 mm mit Holzfensterprofil Softline 68